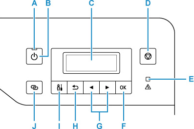
لوحة التشغيل

- A: المصباح تشغيل (ON)
- يضيء بعد إصداره وميضًا عند تشغيل الطاقة.
- B: الزر تشغيل (ON)
-
يُستخدم في التشغيل أو إيقاف التشغيل.
- C: LCD (شاشة الكريستال السائل)
- تعرض الرسائل، وعناصر القوائم، وحالة التشغيل.
- D: الزر إيقاف (Stop)
- لإلغاء العملية عندما تكون الطباعة قيد التنفيذ أو عند تحديد أحد عناصر القائمة.
- E: المصباح تنبيه (Alarm)
- يضيء هذا المصباح أو يصدر وميضًا عند حدوث خطأ.
- F: الزر موافق (OK)
- لإكمال تحديدك للعناصر. كما يتم استخدامه لمعالجة الأخطاء.
- G: الزران
و
- يُستخدمان لتحديد عنصر إعداد. ويُستخدَم هذان الزران أيضًا لإدخال الأحرف.
- H: الزر السابق (Back)
- لإعادة شاشة LCD إلى الشاشة السابقة.
- I: الزر إعداد (Setup)
- يقوم بعرض شاشة Setup menu. باستخدام هذه القائمة، يمكنك إجراء صيانة للطابعة وتغيير إعدادات الطابعة. كما يتم استخدامه لتحديد وضع الإدخال.
- J: الزر الاتصال اللاسلكي (Wireless connect)
- لتعيين معلومات الموجه اللاسلكي في الطابعة مباشرة من هاتف ذكي أو من جهاز آخر (دون الحاجة إلى القيام بأية إجراءات في الموجه)، اضغط مع الاستمرار على هذا الزر.

